
The high penetration level of tablets, smartphones, laptops and smart TVs, creates the growing demand for distribution of visual content over Local Area Network (LAN). Due to its flexibility, low cost and interactivity, as additional features, the Internet Protocol based television (IPTV) is considered a very attractive TV distribution solution for hotels, motels, hospitals and other organisations. This system can be used wherever the combination of rich programming with good signal quality is required and where television signals are to be distributed over twisted pair cables or optical fibers.
One of the main advantages of the Terra IPTV solution is no need for any middleware software between the headend and the receivers. As a result, the system is much cheaper (no software license fees) than other solutions and very simple in both configuration and operation. A unique feature of the system is the fact that the terminal units - Terra IPTV receivers - do not require any configuration, which can be of great importance in the case of larger networks. They automatically detect any changes in the local network or the programming.
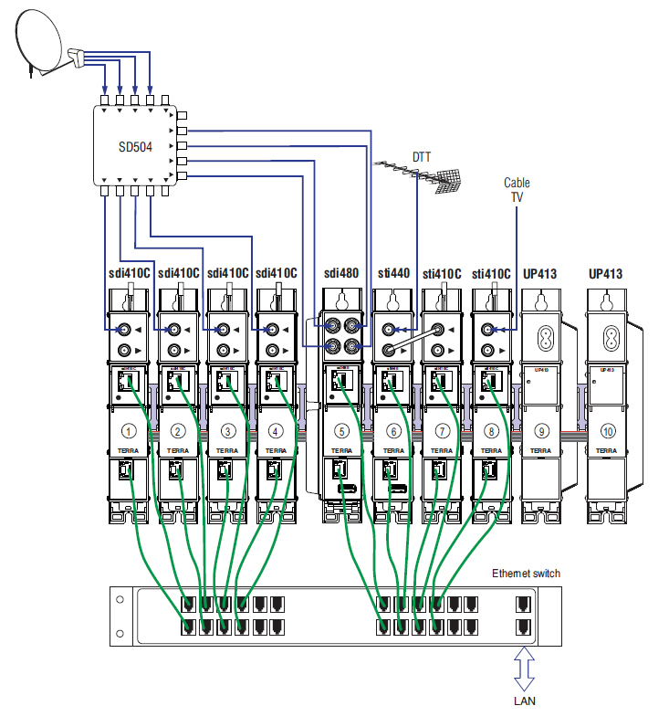
The sti440 IPTV DVB-T/T2/C to IP streamer allows for selection of four multiplexes (with unencrypted channels) from terrestrial (DVB-T/T2) and cable TV (DVB-C) platforms and their distribution via Ethernet (LAN) network based on twisted-pair cabling. Additionally, the sti440 module can stream any material provided via USB port in the form of MPEG-2 TS (Transport Stream). Thanks to television distribution technology based on IP, the cabling in a building can be limited only to one (data + IPTV) or two (separate for data and for IPTV) UTP/FTP cable(s). In addition to low cost of such cabling, the users get access to additional interactive features, and the programming can be adapted to their specific requirements.
![]() |
![]() |
![]() |
IPTV streamer (DVB-T/T2/C-IP) |
IPTV streamer (DVB-S/S2-IP) |
IPTV receiver (set-top-box) |
The implementation of an IPTV distribution system in a hotel or motel, shown in the diagram below, is a good example to illustrate the principles on how to select appropriate modules for this type of systems:
-
IPTV Streamer TERRA sti410C (DVB-T/T2/C-IP, CI slot) allows for selection of terrestrial (DVB-T/T2) or cable TV (DVB-C) multiplex and its distribution via Ethernet (LAN) network based on twisted-pair cabling.
-
IPTV Streamer TERRA sdi410C (DVB-S/S2-IP, CI slot) allows for selection of satellite TV channels and their distribution via Ethernet (LAN) network based on twisted-pair cabling.
-
IPTV Streamer TERRA sdi480 (DVB-S/S2-IP, CI slot) allows for selection of satellite TV channels from four transponders and their distribution via Ethernet (LAN) network based on twisted-pair cabling.
-
IPTV Receiver TERRA VSA N5 WiFi is used for reception/decoding of television signals distributed in IP networks, based on IP protocol and coded in MPEG-2 or MPEG-4 AVC/H.264, both in SD and in HD resolutions. A unique feature of the TERRA IPTV system is the fact that the terminal units - Terra IPTV receivers - do not require any configuration, which can be of great importance in the case of larger networks. They automatically detect any changes in the local network or the programming.
-
Smart Switch such as TP-LINK TL-SL2452 has 48 RJ45 10/100Mbps ports, 2 RJ45 GbE ports and 2 SFP slots. The IGMP snooping function enables intelligent multicast forwarding of the streaming only to specific subscribers.
